Предупреждение Для обеспечения высокого уровня обслуживания на этом сайте используются куки (cookies). Продолжая его использование, вы соглашаетесь с тем, что куки (cookies) будут сохраняться на вашем компьютере: Принять
  8 (800) 301-09-95
info@vossunit.ru
 

Соединение штуцерное 24-SDS-L22-U11/16-12F

782572000
 
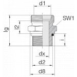
Прямое штуцерное соединение легкой (L) серии для 22 трубы. Паралельная дюймовая резьба UN-2A 11/16-12. Дополнительное уплотнение при помощи O-ring. Поставляется без врезного кольца и гайки. Для заказа комплекта использовать код 24-SDSC-L22-U11/16-12F. Может использоваться как альтернатива следующим кодам: PARKER GE22L11/16UNFOMD; VOLZ ST GEV 22 L 11/16-12 UNF; HANSA-FLEX XVU NW 20 HL 1 1/16;
d8:
32,5
dx:
18
i:
15
l2:
16,5
lg:
39
Nm -10%:
110
SW1:
32
Вес (kg/100):
10,2
Давление (Pressure):
PN 250
Диаметр трубы d1 (Series Tube OD d1):
L 22
Диаметр трубы/резьба d2 (Series tube OD d2):
1 1/16-12 UN-2A
Код:
soedinenie_shtutsernoe_24_sds_l2
Состав комплекта

782572000
Соединение штуцерное 24-SDS-L22-U11/16-12F
 

19302100
Кольцо врезное 24-VRM-L22
 

4302100
Гайка 24-N-L22
 

ЦЕНА ЦЕНА

Популярные Популярные