Предупреждение Для обеспечения высокого уровня обслуживания на этом сайте используются куки (cookies). Продолжая его использование, вы соглашаетесь с тем, что куки (cookies) будут сохраняться на вашем компьютере: Принять
  8 (800) 301-09-95
info@vossunit.ru
 

Соединение штуцерное 24-SDS-S10-M14B

709612000
 
Прямое штуцерное соединение тяжелой (S) серии c паралельной метрической резьбой M14x1,5 для 10 трубы. Поставляется без врезного кольца и гайки. Для заказа комплекта использовать код 24-SDSC-S10-M14B. Может использоваться как альтернатива следующим кодам: VOLZ ST GEV 10 SM 14x1,5;
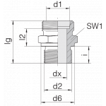
d6:
19
dx:
5
i:
12
l2:
14,5
lg:
34
Nm -10%:
90
SW1:
19
Вес (kg/100):
4,4
Давление (Pressure):
PN 630
Диаметр трубы d1 (Series Tube OD d1):
S 10
Диаметр трубы/резьба d2 (Series tube OD d2):
M 14 x 1,5
Код:
soedinenie_shtutsernoe_24_sds_s1
Состав комплекта

709612000
Соединение штуцерное 24-SDS-S10-M14B
 

19102100
Кольцо врезное 24-VRM-L/S10
 

4602100
Гайка 24-N-S10
 

ЦЕНА ЦЕНА

Популярные Популярные